主要特点:
● 立方体可旋转微型外壳设计, 40mm x 40mm x 40mm, 传感器可以在5个位置转动,
● 四个LED,传感器状态清晰可见。
● 方便的QuickLock安装支架
● 1个推挽输出或1个推挽输出+4-20mA / 0-10V模拟量输出(可切换至第二推挽开关量输出)
● 3种检测范围
● 可通过T1或T2按钮来进行teach-in,或通过连接电脑来配置传感器参数
● 自动同步和异步工作,可支持十个传感器近距离同时工作,推挽输出支持SIO和IO-link模式
| 产品描述 | |||||
| cube超声波传感器可旋转立方体外壳设计适用很多应用场合,搭配QuickLock安装支架,使得安装更快速简便 | |||||
![]() | |||||
两种输出 | |||||
❶1个推挽开关量输 | |||||
| ❷1个推挽开关量输出和1个模拟输出或可切换到2推挽开关量输出,使用LinkControl或IO-Link,可以禁用模拟输出,而启用第二个推挽开关输出。第二推挽开关输出可以用于电平监测,例如,以控制溢出。 | |||||
| 借助内部校准辅助 | |||||
| 使传感器可以在安装过程中与物体轻松对准。 | |||||
![]() | |||||
| 开关量输出的cube传感器有三种工作模式: | |||||
| 漫反射模式(单开关点模式)的自学习: | |||||
![]() | 方法A:适用于到被检测物的实际距离,也是切换点的应用。一种典型的应用是液位控制,其中超声波传感器在灌装过程中从上方垂直检测灌装液位。设定的切换点对应于最大加注液位。 | ||||
| 方法B:当被检测物从侧面移动到检测区域的情况下,切点距离被设置为比到被检测物的实际测量距离远8%。即使被检测物的高度略有变化,也不会有影响。 | |||||
| 方法A自学习 | 方法B自学习 | ||||
![]() | ![]() | ||||
| ● 将被测目标物放在想要的检测距离(1)处,使之被传感器检测到 | ● 将被测目标物放在想要的检测距离(1)处,使之被传感器检测到 | ||||
| ● 按住按键T2大约3秒,直到所有LED同时闪烁 | ● 按住按键T2大约3秒,直到所有LED同时闪烁 | ||||
| ● 再次按住按键T2大约1秒 | ● 再次按住按键T2大约3秒,直到绿色和黄色LED再次交替闪烁 | ||||
| 反射板模式的自学习: | 窗口模式的自学习 & 模拟量输出的设置: | ||||
![]() | ![]() | ||||
| ● 可以使用一个固定的反射物当作反射板 | ● 将被测物体放置于窗口的近点(1)处 | ||||
| ● 按住按键T2大约3秒,直到所有LED同时闪烁 | ● 按住按键T1大约3秒,直到所有LED同时闪烁 | ||||
| ● 再次按住按键T2大约10秒,直到LED停止闪烁 | ● 然后将被测物体移动到窗口的远点(2)处 | ||||
| ● 再次按住按键T1大约1秒 | |||||
| NCC/NOC(常闭/常开) | 模拟量输出的传感器 | 集成IO-Link | |||
| 开关量常闭/常开,模拟量的递增/递减可以通过按键设置。 | 根据负载,自动识别并切换至4-20mA或0-10V。 | 支持IO-Link通讯。 | |||
| LinkControl | |||||
![]() | |||||
| cube系列超声波传感器可以选择性的进行参数设置,LCA-2连接控制适配器作为配件和电脑之间的连接。 | |||||
| 易于同步 | |||||
![]() | |||||
| 若干个cube超声波传感器可以在一些应用中近距离安装运行,通过同步来避免它们间的相互干扰。 为了实现这个目的,需要将传感器的pin5连接在一起,激活传感器的同步功能。如果多于10个传感器同步,需要使用同步箱来实现。 | |||||
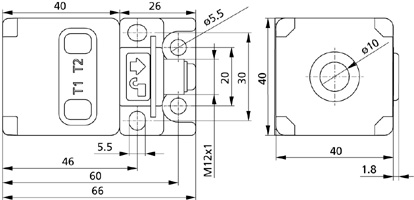
| cube-35 | 外形尺寸 | 检测区域 | |||
|
|
| |||
| 检测范围 | 350-600mm | ||||
| 外形设计 | 胶体 | ||||
| 工作模式 | 接近开关/漫反射模式;反射板模式;窗口模式;模拟距离测量;IO-Link | ||||
| 测量方法 | 回波传播时间 | ||||
| 换能器频率 | 400kHz | ||||
| 盲区 | 65mm | ||||
| 检测范围 | 350mm | ||||
| 最大检测范围 | 600mm | ||||
| 分辨率 | 一个推挽开关量输出:0.056mm,在IO-Link模式下0.1mm; 推挽开关量+模拟量输出:IO-Link模式0.1mm, 模拟量,0.17mm | ||||
| 重复精度 | ±0.15% | ||||
| 精度 | ±1%(内置温度漂移补偿) | ||||
| 工作电压 | 9-30Vd.c., 反极性保护 | ||||
| 电压脉动 | ±10% | ||||
| 空载电流损耗 | ≤50mA | ||||
| 连接类型 | 5芯M12接插件 | ||||
| 输入 | com端输入;同步输入;自学习输入 | ||||
| 一个推挽关量输出 | Push-Pull, UB-3V, -UB+3V,Imax =100mA,常开/常闭可切换,短路保护 | ||||
| 开关回滞 | 5mm | ||||
| 开关频率 | 12Hz | ||||
| 响应时间 | 64ms | ||||
| 上电延时 | <300ms | ||||
| 推挽开关量+模拟量输出(可切换成推挽开关量) | |||||
| 输出1 | Push-Pull, UB-3V, -UB+3V,Imax =100mA,常开/常闭可切换,短路保护 | ||||
| 输出2 | 4-20 mA / 0-10 V (当 UB≥15V),递增/递减可切换,短路保护 或 切换成Push-Pull, UB-3V, -UB+3V,Imax =100mA,常开/常闭可切换,短路保护 | ||||
| 开关回滞 | 5mm | ||||
| 开关频率 | 12Hz | ||||
| 响应时间 | 64ms | ||||
| 上电延时 | <300ms | ||||
| 材质 | PA | ||||
| 超声波换能器 | 泡沫聚氨酯,玻璃填充的环氧树脂 | ||||
| 防护等级EN 60529 | IP67 | ||||
| 工作温度 | -25°C - +70°C | ||||
| 储存温度 | -40°C - +85°C | ||||
| 重量 | 120g | ||||
| 温度补偿 | 是 | ||||
| 控制装置 | 2个按键 | ||||
| 设定范围 | 推挽输出:按键或LCA-2 with LinkControl或IO-Link或pin5;双开关量和模拟量:按键或LCA-2 with LinkControl | ||||
| 同步 | 是 | ||||
| 多通道 | 是 | ||||
| 指示灯 | 工作:2 X LED绿灯;检测到目标物:2 X LED黄灯 | ||||
| 选型和订货数据 | |||||
| 开关量输出 | 模拟量输出 | 订货型号 | |||
| 1 X Push-Pull | --- | cube-35/F | |||
| 2 X Push-Pull | 4-20mA / 0-10V | cube-35/FFIU | |||
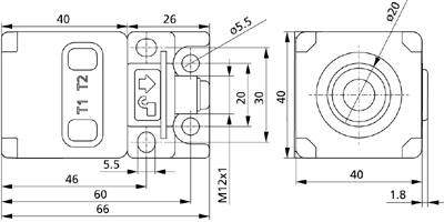
| cube-130 | 外形尺寸 | 检测区域 | |||
|
|
| |||
| 检测范围 | 200-2000mm | ||||
| 外形设计 | 胶体 | ||||
| 工作模式 | 接近开关/漫反射模式;反射板模式;窗口模式;模拟距离测量;IO-Link | ||||
| 测量方法 | 回波传播时间 | ||||
| 换能器频率 | 200kHz | ||||
| 盲区 | 200mm | ||||
| 检测范围 | 1300mm | ||||
| 最大检测范围 | 2000mm | ||||
| 分辨率 | 一个推挽开关量输出:0.224mm,在IO-Link模式下1mm; 推挽开关量+模拟量输出:1mm | ||||
| 重复精度 | ±0.15% | ||||
| 精度 | ±1%(内置温度漂移补偿) | ||||
| 工作电压 | 9-30Vd.c., 反极性保护 | ||||
| 电压脉动 | ±10% | ||||
| 空载电流损耗 | ≤50mA | ||||
| 连接类型 | 5芯M12接插件 | ||||
| 输入 | com端输入;同步输入;自学习输入 | ||||
| 一个推挽关量输出 | Push-Pull, UB-3V, -UB+3V,Imax =100mA,常开/常闭可切换,短路保护 | ||||
| 开关回滞 | 20mm | ||||
| 开关频率 | 8Hz | ||||
| 响应时间 | 96ms | ||||
| 上电延时 | <300ms | ||||
| 推挽开关量+模拟量输出(可切换成推挽开关量) | |||||
| 输出1 | Push-Pull, UB-3V, -UB+3V,Imax =100mA,常开/常闭可切换,短路保护 | ||||
| 输出2 | 4-20 mA / 0-10 V (当 UB≥15V),递增/递减可切换,短路保护 或 切换成Push-Pull, UB-3V, -UB+3V,Imax=100mA,常开/常闭可切换,短路保护 | ||||
| 开关回滞 | 20mm | ||||
| 开关频率 | 8Hz | ||||
| 响应时间 | 96ms | ||||
| 上电延时 | <300ms | ||||
| 材质 | PA | ||||
| 超声波换能器 | 泡沫聚氨酯,玻璃填充的环氧树脂 | ||||
| 防护等级EN 60529 | IP67 | ||||
| 工作温度 | -25°C - +70°C | ||||
| 储存温度 | -40°C - +85°C | ||||
| 重量 | 120g | ||||
| 温度补偿 | 是 | ||||
| 控制装置 | 2个按键 | ||||
| 设定范围 | 推挽输出:按键或LCA-2 with LinkControl或IO-Link或pin5;双开关量和模拟量:按键或LCA-2 with LinkControl | ||||
| 同步 | 是 | ||||
| 多通道 | 是 | ||||
| 指示灯 | 工作:2 X LED绿灯;检测到目标物:2 X LED黄灯 | ||||
| 选型和订货数据 | |||||
| 开关量输出 | 模拟量输出 | 订货型号 | |||
| 1 X Push-Pull | --- | cube-130/F | |||
| 2 X Push-Pull | 4-20mA / 0-10V | cube-130/FFIU | |||
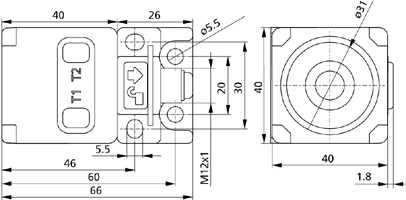
| cube-340 | 外形尺寸 | 检测区域 | |||
|
|
| |||
| 检测范围 | 350-5000mm | ||||
| 外形设计 | 胶体 | ||||
| 工作模式 | 接近开关/漫反射模式;反射板模式;窗口模式;模拟距离测量;IO-Link | ||||
| 测量方法 | 回波传播时间 | ||||
| 换能器频率 | 120kHz | ||||
| 盲区 | 350mm | ||||
| 检测范围 | 3400mm | ||||
| 最大检测范围 | 5000mm | ||||
| 分辨率 | 一个推挽开关量输出:0.224mm,在IO-Link模式下1mm; 推挽开关量+模拟量输出:IO-Link模式1mm, 模拟量,1.45mm | ||||
| 重复精度 | ±0.15% | ||||
| 精度 | ±1%(内置温度漂移补偿) | ||||
| 工作电压 | 9-30Vd.c., 反极性保护 | ||||
| 电压脉动 | ±10% | ||||
| 空载电流损耗 | ≤50mA | ||||
| 连接类型 | 5芯M12接插件 | ||||
| 输入 | com端输入;同步输入;自学习输入 | ||||
| 一个推挽关量输出 | Push-Pull, UB-3V, -UB+3V,Imax =100mA,常开/常闭可切换,短路保护 | ||||
| 开关回滞 | 50mm | ||||
| 开关频率 | 4Hz | ||||
| 响应时间 | 166ms | ||||
| 上电延时 | <300ms | ||||
| 推挽开关量+模拟量输出(可切换成推挽开关量) | |||||
| 输出1 | Push-Pull, UB-3V, -UB+3V,Imax =100mA,常开/常闭可切换,短路保护 | ||||
| 输出2 | 4-20 mA / 0-10 V (当 UB≥15V),递增/递减可切换,短路保护 或 切换成Push-Pull, UB-3V, -UB+3V,Imax=100mA,常开/常闭可切换,短路保护 | ||||
| 开关回滞 | 50mm | ||||
| 开关频率 | 4Hz | ||||
| 响应时间 | 166ms | ||||
| 上电延时 | <300ms | ||||
| 材质 | PA | ||||
| 超声波换能器 | 泡沫聚氨酯,玻璃填充的环氧树脂 | ||||
| 防护等级EN 60529 | IP67 | ||||
| 工作温度 | -25°C - +70°C | ||||
| 储存温度 | -40°C - +85°C | ||||
| 重量 | 130g | ||||
| 温度补偿 | 是 | ||||
| 控制装置 | 2个按键 | ||||
| 设定范围 | 推挽输出:按键或LCA-2 with LinkControl或IO-Link或pin5;双开关量和模拟量:按键或LCA-2 with LinkControl | ||||
| 同步 | 是 | ||||
| 多通道 | 是 | ||||
| 指示灯 | 工作:2 X LED绿灯;检测到目标物:2 X LED黄灯 | ||||
| 选型和订货数据 | |||||
| 开关量输出 | 模拟量输出 | 订货型号 | |||
| 1 X Push-Pull | --- | cube-340/F | |||
| 2 X Push-Pull | 4-20mA / 0-10V | cube-340/FFIU | |||
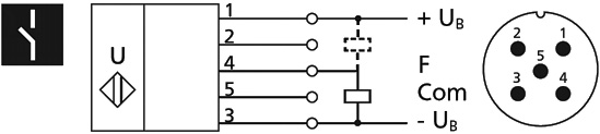
| 接线图 | |||||
|
| ||||
| 1 X Push-Pull | 2 X Push-Pull + 4-20mA / 0-10V | ||||



















