主要特点:
●检测距离可调
●外壳材质:PBT
●感应面材质:PBT
●最大检测距离:10mm
| 常规系列 Q50 标准型 直流 电容式接近传感器 | ||
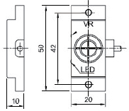
| 外形尺寸 | Q50 | |
| 尺寸图 | ![]() | |
| 技术参数 | ||
| 检测距离 mm | 2-10 (可调) | |
| 安装方式 | 非齐平 | |
| 工作电压 | 10...30VDC | |
| 允许脉动电压 | <10% | |
| 空载电流 | <10mA | |
| 最大负载电流 | 200mA | |
| 漏电流 | <0.01mA | |
| 电压降 | <2VDC | |
| 开关频率 | 100HZ | |
| 开关迟滞 | <15%(Sr) | |
| 重复精度 | < ±5%(Sr) | |
| 工作温度 | -25°C...+70°C | |
| 温度漂移 | < ±10%(Sr) | |
| 短路保护 | YES | |
| 反极性保护 | YES | |
| LED显示 | YES | |
| 外壳材质 | PBT | |
| 感应面材质 | PBT | |
| 连接方式 | PVC 2m 电缆 | |
| 防护等级 | IP 67 | |
| 选型 | ||
| DC 3线 NPN 常开 | F10-Q50F2-N1-C2M | |
| DC 3线 NPN 常闭 | F10-Q50F2-N2-C2M | |
| DC 3线 PNP 常开 | F10-Q50F2-P1-C2M | |
| DC 3线 PNP 常闭 | F10-Q50F2-P2-C2M | |
| DC 4线 NPN 常开+常闭 | F10-Q50F2-N3-D2M | |
| DC 4线 PNP 常开+常闭 | F10-Q50F2-P3-D2M | |
