主要特点:
●1个推挽开关量输出,兼容NPN/PNP + 4-20mA/0-10V模拟量输出
●工作模式:对射模式(槽型); 常开/常闭可切换,递增/递减可切换
●两种外形设计:30mm 槽宽; 60mm槽宽;两种检测范围:12mm;40mm
●外壳顶部有3个LED指示灯和1个按钮
●通过按钮设置; 通过调试器设置; 通过Pin5进行Teach-in
●自动同步和异步工作,可支持十个传感器同步(使用Pin5进行同步)
●分辨率0.01mm-0.02mm,金属外壳
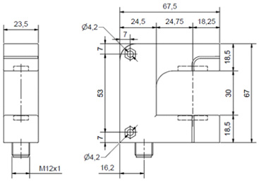
| 槽宽:30mm 检测范围:12±6mm |
| 外形尺寸 |
 |
| 技术参数 |
| 槽宽(发射器-接收器间距) | 30mm |
| 槽深 | 43mm |
| 检测范围 | 12±6mm |
| 盲区 | 在发射器和接收器前方5mm处 |
| 设定零点位置 | 通过按钮设置; 通过调试器设置; 通过Pin5进行Teach-in |
| 换能器频率 | 170kHz |
| 分辩率/采样频率 | 0.01mm |
| 精度 | ±0.1(在恒定环境下) |
| 重复精度 | ±0.15% |
| 工作电压 | 20-30VDC,短路,反极性保护 |
| 电压脉动 | ±10% |
| 空载电流 | ≤60mA |
| 响应时间 | 5.1ms |
| 上电延时 | <300ms |
| 材质 | 镀锌压铸,塑料零件,PBT; 换能器:泡沫聚氨酯,玻璃填充的环氧树脂 |
| 连接类型 | 5芯M12接插件 |
| 重量 | 190g |
| 指示灯 | 1xLED 绿灯:中心位置 2xLED 黄灯:偏离中心位置 |
| 工作温度 | +5°C - +60°C |
| 储存温度 | -40°C - +85°C |
| 防护等级 EN 60529 | IP65 |
| 型号 | 输出信号 |
| UAE12-S30NPIU-EM12 | 1xPush-Pull 推挽开关量输出,常开/常闭可切换 + 4-20mA/0-10V模拟量输出,递增/递减可切换 |
|
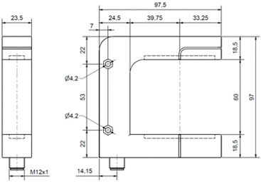
| 槽宽:60mm 检测范围:40±20mm |
| 外形尺寸 |
 |
| 技术参数 |
| 槽宽(发射器-接收器间距) | 60mm |
| 槽深 | 73mm |
| 检测范围 | 40±20mm |
| 盲区 | 在发射器和接收器前方5mm 处 |
| 设定零点位置 | 通过按钮设置; 通过调试器设置; 通过Pin5进行Teach-in; IO-Link |
| 换能器频率 | 310kHz |
| 分辩率/采样频率 | 0.02mm |
| 精度 | ±0.1(在恒定环境下) |
| 重复精度 | ±0.15% |
| 工作电压 | 20-30VDC,短路,反极性保护 |
| 电压脉动 | ±10% |
| 空载电流 | ≤60mA |
| 响应时间 | 6ms |
| 上电延时 | <300ms |
| 材质 | 镀锌压铸,塑料零件,PBT; 换能器:泡沫聚氨酯,玻璃填充的环氧树脂 |
| 连接类型 | 5芯M12接插件 |
| 重量 | 280g |
| 指示灯 | 1xLED 绿灯:中心位置 2xLED 黄灯:偏离中心位置 |
| 工作温度 | +5°C - +60°C |
| 储存温度 | -40°C - +85°C |
| 防护等级 EN 60529 | IP65 |
| 型号 | 输出信号 |
| UAE40-S60NPIU-EM12 | 1xPush-Pull 推挽开关量输出,常开/常闭可切换 + 4-20mA/0-10V模拟量输出,递增/递减可切换 |
|
|
|
|
|
|
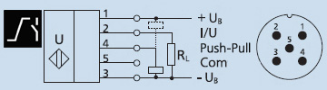
| 接线图 |
 |
|
| 1xPush-Pull开关量输出 + 4-20mA/0-10V模拟量输出 |
| 工作原理: |
| 槽下方的超声波发射器周期性的发出短声波信号,而位于槽上方的接收器对此超声波信号进行评估。当被检测材料进入槽中时,遮挡超声波导致接收信号衰减,通过内部电路进行处理计算,根据遮挡的程度按比例以电压(0-10V)或 电流(4-20mA)值输出。因此,这种工作模式常用于不透声波的透明的箔片、感光材料、透明度不同和表面有灰尘堆积的纸质材料的边缘检测和轨迹校准。 |

|