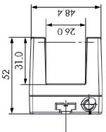
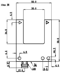
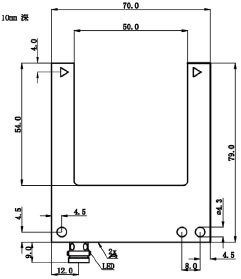
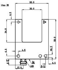
| 外形尺寸 | 槽型光电 | 槽型光电 | 槽型光电 |
| 槽宽 | 30mm | 30mm | 50mm |
| 尺寸图 | ![]() | ![]() | ![]() |
| 外壳材料 | 塑料 | 金属(阳极氧化铝) | 金属(阳极氧化铝) |
| 分辨率(可分辨最小物体) | 0.3mm | 0.3mm | 0.5mm |
| 重复精度 | 20μm | 20μm | 40μm |
| 开关滞后 | ≤0.1mm | ≤0.1mm | ≤0.15mm |
| 灵敏度调节 | 电位计,270° | 电位计,270° | 电位计,270° |
| 光源 | 红外光 | 可见红光 | 可见红光 |
| 波长 | 640nm | 640nm | 640nm |
| 空载电流 | <35mA | <35mA | <35mA |
| 响应时间 | 0.33ms | 0.33ms | 0.33ms |
| 开关频率 | 1.5kHz | 1.5kHz | 1.5kHz |
| 接线图 | |||
| 工作电压 | 10…30VDC | ||
| 最大输出电流 | 200 mA | ||
| 输出压降 | ≤2V(PNP) / ≤2.5V(NPN) | ||
| 温度范围 | ﹣10℃...+60℃ | ||
| 通电延时 | < 500 μs | ||
| EMC防护 | EN 60947-5-2 | ||
| 过流短路保护 | 内置 | ||
| 极性反向保护 | 内置 | ||
| 防护等级 | IP67 | ||
| 最大环境光照 | 10 klux | ||
| NPN(亮通+暗通)/M8连接器 | PF-U55-A1-030F | PF-U56S-A1-030 | PF-78S-A1-050 |
| PNP(亮通+暗通)/M8连接器 | PF-U55-A3-030F | PF-U56S-A3-030 | PF-78S-A3-050 |
| 推挽输出 | PF-U55-A0-030F | - | - |
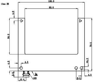
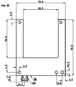
| 外形尺寸 | 槽型光电 | 激光槽型 | 激光槽型 |
| 槽宽 | 80mm | 30mm | 50mm |
| 尺寸图 | ![]() | ![]() | ![]() |
| 外壳材料 | 金属(阳极氧化铝) | 金属(阳极氧化铝) | 金属(阳极氧化铝) |
| 分辨率(可分辨最小物体) | 0.5mm | 60μm | 0.1mm |
| 重复精度 | 60μm | 15μm | |
| 开关滞后 | ≤0.2mm | ≤20μm | |
| 灵敏度调节 | 电位计,270° | 电位计,270° | |
| 光源 | 可见红光 | 激光 | |
| 波长 | 640nm | 650nm | |
| 空载电流 | <35mA | <35mA | |
| 响应时间 | 0.33ms | 0.16ms | |
| 开关频率 | 1.5kHz | 3kHz | |
| 接线图 | |||
| 工作电压 | 10…30VDC | ||
| 最大输出电流 | 200mA | ||
| 输出压降 | ≤3V(PNP) / ≤2.5V(NPN) | ||
| 温度范围 | ﹣10℃...+60℃ | ||
| 通电延时 | <500μs | ||
| 过流短路保护 | 内置 | ||
| 极性反向保护 | 内置 | ||
| 防护等级 | IP67 | ||
| 最大环境光照 | 10klux | ||
| NPN(亮通+暗通)/M8连接器 | PF-U08S-A1-080 | ZF-U56F-A1-030 | ZF-U78S-A1-050 |
| PNP(亮通+暗通)/M8连接器 | PF-U08S-A3-080 | ZF-U56F-A3-030 | ZF-U78S-A3-050 |





