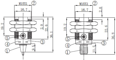
| 外形尺寸 | M18 | M18 | M18 |
| 工作方式 | 漫反射式 | 漫反射式 | 漫反射式 |
| 检测距离 | 5...100mm | 10…400mm | 10…800mm |
| 尺寸图 |  |
| 外壳材料 | PBT PMMA | PBT PMMA | PBT PMMA |
| 标准检测距离 | 5...100mm | 10…400mm | 10…800mm |
| 最大检测距离 | 5...110mm | 10…500mm | 10…1000mm |
| 标准检测物 | 基于DIN5033白色 | 基于DIN5033白色 | 基于DIN5033白色 |
| 灵敏度调节 | 电位计,270° | 电位计,270° | 电位计,270° |
| 光源 | 可见红光 | 可见红光 | 可见红光 |
| 光斑直径 | Φ8mm(100mm) | Φ9mm(400mm) | Φ45mm(800mm) |
| 功耗 | ≤30mA | ≤30mA | ≤30mA |
| 响应时间 | <1000μs | <1000μs | <1000μs |
| 开关频率 | 500Hz | 500Hz | 500Hz |
| 接线图 |  |
| 工作电压 | 10…30VDC(±5 Vpp) |
| 最大输出电流 | 100 mA |
| 输出压降 | ≤3V |
| 温度范围 | ﹣25℃...+55℃ |
| 通电延时 | <500μs |
| 过流短路保护 | 内置 |
| 极性反向保护 | 内置 |
| 防护等级 | IP67 |
| NPN 亮通 2m,3芯电缆 | PT-H18-L1-010-S | PT-H18-L1-040-S | PT-H18-L1-080-S |
| NPN (亮通+暗通) 2m,4芯电缆 | PT-H18-A1-010-S | PT-H18-A1-040-S | PT-H18-A1-080-S |
| NPN 亮通 3芯,M12连接器 | PT-H18S-L1-010-S | PT-H18S-L1-040-S | PT-H18S-L1-080-S |
| PNP 亮通 3芯,M12连接器 | PT-H18S-L3-010-S | PT-H18S-L3-040-S | PT-H18S-L3-080-S |
| PNP (亮通+暗通) 4芯M12连接器 | PT-H18S-A3-010-S | PT-H18S-A3-040-S | PT-H18S-A3-080-S |
|
|
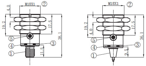
| 外形尺寸 | M18 | M18 | M18 |
| 工作方式 | 反射板式 | 对射式 | 对射式(红外光) |
| 检测距离 | 60…6000mm | 0…10000mm | 0…10000mm |
| 尺寸图 |  |  |
| 外壳材料 | PBT PMMA | PBT PMMA | PBT PMMA |
| 标准检测距离 | 60…6000mm | 0…10000mm | 0…10000mm |
| 最大检测距离 | 60…7000mm | 0…15000mm | 0…15000mm |
| 标准检测物 | – | – | – |
| 灵敏度调节 | 电位计,270° | 电位计,270° | 电位计,270° |
| 光源 | 可见红光 | 可见红光 | 红外光 |
| 光斑直径 | Φ170mm(7m) | Φ250mm(10m) | Φ400mm(10m) |
| 功耗 | ≤30mA | ≤30mA | ≤30mA |
| 响应时间 | <500μs | < 500 μs | <500μs |
| 开关频率 | 500Hz | 500Hz | 500Hz |
| 接线图 |  |
| 工作电压 | 10…30VDC(±5 Vpp) |
| 最大输出电流 | 100 mA |
| 输出压降 | ≤3V |
| 温度范围 | ﹣25℃...+55℃ |
| 通电延时 | <500μs |
| 过流短路保护 | 内置 |
| 极性反向保护 | 内置 |
| 防护等级 | IP67 |
| NPN 亮通 2m,3芯电缆 | PR-H18-L1-600-S | - | - |
| NPN 暗通 2m,3芯电缆 | PR-H18-D1-600-S | - | - |
| NPN (亮通+暗通) 2m,4芯电缆 | PR-H18-A1-600-S | PL-H18-E0-010-S / PL-H18-A1-010-S | PL-H18-E0-010F-S / PL-H18-A1-010F-S |
| NPN (亮通+暗通) 4芯M12连接器 | - | PL-H18S-E0-010-S / PL-H18S-A1-010-S | PL-H18S-E0-010F-S / PL-H18S-A1-010F-S |
| PNP 亮通 2m,3芯电缆 | PR-H18-L3-600-S | - | - |
| PNP (亮通+暗通) 2m,4芯电缆 | - | PL-H18-E0-010-S / PL-H18-A3-010-S | PL-H18-E0-010F-S / PL-H18-A3-010F-S |
| PNP 亮通 3芯,M12连接器 | PR-H18S-L3-600-S | - | - |
| PNP (亮通+暗通) 4芯M12连接器 | PR-H18S-A3-600-S | PL-H18S-E0-010-S / PL-H18S-A3-010-S | PL-H18S-E0-010F-S / PL-H18S-A3-010F-S |