耐高压系列

当前位置:首页>产品中心>CONTROLWAY>电感式接近开关>耐高压系列

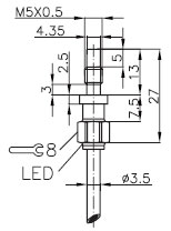
M5接近开关-耐高压

产品分类:耐高压系列
产品规格:标准件
产品品牌:CONTROLWAY
浏览次数:345
上架时间:2023-12-10
产品详情
外形尺寸M5
检测距离 mm1
尺寸图1.jpg
外壳材料不锈钢 V4A
连接形式PUR电缆
防护等级IP68
安装形式齐平
开关频率600Hz
接线图图1
工作电压(允许脉动范围)10…30VDC(≤20%)
LED内置
环境温度﹣25℃...+80℃
电压降≤2.0V
输出电流≤200mA
输出漏电流≤0.1mA
空载电流≤10mA/≤12mA(转换器)
温度漂移%Sr≤15%
回滞%Sr≤8%典型
重复精度≤5%Sr
最大工作压力500bar
峰值压力1000bar
感应面不锈钢
认证CE,RoHS
短接保护内置
极性反向保护内置
通电行延时内置
NPN,N.O.BD1-P1-M5
PNP,N.O.BD1-P3-M5


上一篇:没有了!

下一篇:M8接近开关-耐高压