激光传感器

当前位置:首页>产品中心>OPTEX-FA>激光传感器

BGS-H(D)L系列微小段差测量C-MOS激光传感器

产品分类:激光传感器
产品规格:标准件
产品品牌:OPTEX-FA
浏览次数:339
上架时间:2023-11-19
产品详情

主要特点:
● BGS-HL系列激光传感器采用了OPTEX-FA位移传感器相同的处理器
 可以检测微小段差的薄型工件,也可以检测黑色,金属,多色彩等工件
 可以检测倾斜物体
 防护等级IP67





应用举例:橡胶环的有无检测黑色橡胶部件的凹凸面判别硅晶圆的重叠检测





1.jpg2.jpg3.jpg





吸塑包装的多层检测
(1CH:1层时输出ON;
   2CH:3层时输出ON)
振动盘的物料检测
(1CH:物料剩余量较少时开始补给;
 2CH:剩余量较多时停止补给)
吸管的有无/翘起检测
(1CH:无吸管时输出ON;
   2CH:吸管翘起时输出ON)





4.jpg5.jpg6.jpg




类型单通道输出型双通道输出型
型号BGS-HL05TBGS-HL25T2BGS-HDL05TBGS-HDL25T2
检测距离20~50mm(显示值※10.00~30.00)50~250mm(显示值※10.0~200.0)20~50mm(显示值20.00~50.00)50~250mm(显示值50.0~250.0)
重复精度0.01mm(显示值:0.01)0.1mm(显示值:0.1)※20.01mm(显示值:0.01)0.1mm(显示值:0.1)※2
最小检测高度差※30.08mm0.8mm0.08mm0.8mm
温度漂移(参考值)±0.04%F.S./℃±0.08%F.S./℃±0.04%F.S./℃±0.08%F.S./℃
光源种类、波长红色半导体激光波长:655nm
最大输出功率390μW1mW390μW1mW
激光等级IEC/JISCLASS 1CLASS 2CLASS 1CLASS 2
FDACLASS 1CLASS 2CLASS 1CLASS 2
光斑尺寸※4φ0.8mmφ1mmφ0.8mmφ1mm
响应时间※51.5ms
滞后现象※6设定范围:0~22.49mm设定范围:0~149.9mm设定范围:0~22.49mm设定范围:0~149.9mm
检测距离调整示教式(示教后可手动调整)可选择1点示教、2点示教、区域示教示教式(示教后可手动调整)
指示灯激光投射指示灯(绿)/输出指示灯(橙)/模式指示灯(红)激光投射指示灯(绿)/1CH输出指示灯(橙)/2CH输出指示灯(红)
数字显示屏7段4位LED
外部输入激光关闭、示教、采样保持、单脉冲激光关闭/开启、示教、采样保持、单脉冲
开关量输出集电极开路(NPN/PNP功能内切换)Max.100mA/DC24V 残留电压1.8V集电极开路(NPN/PNP功能内切换)Max.50mA/DC24V 残留电压1.8V
输出模式常开/常闭功能可切换常开/常闭/区域设定/FGS功能可切换
延时功能无/ON延时/OFF延时/单脉冲可选择(0~9999ms, 单位:1ms)
额定值电源电压DC12~24V±10%
消耗电流※740mA以下
连接形式

电缆式:φ4.5mm 2m电缆线;

接插式※9:M8 4针连接器

电缆式:φ4.5mm 2m电缆线;

接插式※9:M12 5针连接器,300mm电缆线

适用法令EMC2017/30/EU
RoHS2011/65/EU.指令第32号
FDA21 CFR 1040.10或1040.11(符合FDA的Laser Notice No.50标准)
适用规格
EN 60947-5-2:2007/A1:2012 IEC 60825-1:2007
耐环境性使用环境温度/湿度-10~+50℃/35~85%RH(无结霜、冰冻)-10~+45℃ / 35~85%RH(无结霜、冰冻)
存储环境温度/湿度-20~+60℃/35~85%RH
环境照度白炽灯:5,000lx以下
抗震动10~55Hz,双振幅1.5mm,X、Y、Z各方向2小时
耐撞击500m/s(约50G),X、Y、Z各方向3次
保护电路反接保护、过电流保护
防护等级IP67
材质外壳:压铸铝 前盖:PPSU 显示屏:PET电缆:耐油PVC
重量电缆式:约90g 接插式※8:约30g电缆式:约100g 接插式※8:约60g
附属品安装支架:BEF-OD1-B、 M3×15螺丝:2只

无特别注明的测试条件如下所述:
环境温度23℃(常温)、电源电压DC24V、采样周期500μs、平均采样次数512次;检测位置为中心距离:35mm(BGS-H(D)L05T) / 150mm(BGS-H(D)L25T2);
检测对象:本公司标准工件(白陶瓷板)。

※1 显示值得可显示范围如下:
 ·BGS-HL05T   -7.50~37.50
 ·BGS-HL25T2 -50.0~250.0
启用偏移功能【ShiF】时,在示教位置处时显示为0;
即使在检测范围内,若超出显示范围,将显示FFFF(此时BGS-HL仍然正常检测工作);
超出显示范围将显示9999。

※2 采样周期:1000μs时。

※3【滞后现象】设定为0.02(BGS-H(D)L05T)、0.2(BGS-H(D)L25T2)时。

※4 以最大检测距离处的中心光束强度的1 / e2(13.5%)来界定。界定的光斑尺寸范围以外有漏光、或光束周边存在比被测物反射率高的物体时,有可能出现误检。

※5 出厂设定值时:1.5~7ms(BGS-H(D)L05T)、3~14ms(BGS-H(D)L25T2)。

※6 出厂默认值:0.15mm(BGS-H(D)L05T)、1mm(BGS-H(D)L25T2)。

※7 不含开关量输出的负载电流。

※8 定制产品





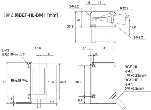
外形尺寸:
7.jpg8.jpg




接线图:9.jpg

上一篇:没有了!

下一篇:TOF系列小型长距离检测激光传感器