主要特点:
● 检测距离可达25m(对射型)
| 应用举例: | |||
物料搬运检测 (Z3R-400) | 透明瓶检测 (Z3R-Q200) | 长距离检测传送带上的物体 (Z3T-2500) | 检测货架上的物品 (Z3T-2500) |
![]() | ![]() | ![]() | ![]() |
| 类型 | 对射型 | 镜面反射型 | 漫反射型 | 限定反射型 | 广角反射型 | 透明体检测型 | |||
| 型号 | NPN | 电缆式 | Z3T-2500NIR | Z3T-2500N | Z3R-400N | Z3D-100N | Z3D-L09N | Z3D-W20N | Z3R-Q200N |
| 接插式 | - | Z3T-2500CN4 | Z3R-400CN4 | Z3D-100CN4 | Z3D-L09CN4 | Z3D-W20CN4 | Z3R-Q200CN4 | ||
| PNP | 电缆式 | - | Z3T-2500P | Z3R-400P | Z3D-100P | Z3D-L09P | Z3D-W20P | Z3R-Q200P | |
| 接插式 | - | Z3T-2500CP4 | Z3R-400CP4 | Z3D-100CP4 | Z3D-L09CP4 | Z3D-W20CP4 | Z3R-Q200CP4 | ||
| 检测距离 | 25m | 0.01~4m※1 | 0~1m※2 | 10~90mm※3 | 1~200mm※4 | 0.01~2m※1 | |||
| 光源 | 红外LED 波长850nm | 4个LED 波长632nm | |||||||
| 光斑尺寸 | φ1400mm (距离25m处) | φ1800mm (距离25m处) | φ280mm (距离4m处) | φ75mm (距离1m处) | φ8mm (距离90mm处) | 45×45mm (距离50mm处) | φ140mm (距离2m处) | ||
| 响应时间 | 500μs以下 | ||||||||
| 滞后现象 | - | - | - | Max. 20% | Max. 10% | Max. 20% | - | ||
| 灵敏度调整 | 1圈电位器按钮 | ||||||||
| 指示灯 | 输出指示灯:橙色LED 稳定指示灯:绿色LED(对射型发射器没有稳定指示灯) | ||||||||
| 开关量输出 | NPN/PNP集电极开路 Max.100mA/DC30V | ||||||||
| 输出方式 | 常开/常闭模式切换 | ||||||||
| 连接形式 | - | 电缆式:电缆线长2m φ3.8mm 接插式:M8 4针连接器 | |||||||
| 额定值 | 电源电压 | DC10~30V±10% | |||||||
| 消耗电流 | 发射器:20mA以下 | 20mA以下 | 25mA以下 | 20mA以下 | |||||
| 接收器:15mA以下 | |||||||||
| 适用法令 | EMC指令(2004/108/EC) | ||||||||
| 适用规格 | EN 60947-5-2 | ||||||||
| 社内规格 | 耐噪音:Feilen Level3 clear | ||||||||
| 耐环境性 | 环境温度/湿度 | -25~+55℃ / 35~85%RH(不结露、不结冰的情况下) | |||||||
| 环境照度 | 阳光≦10,000勒克斯(lux),白炽灯≦3,000勒克斯(lux) | ||||||||
| 抗震动 | 10~55Hz,双振幅1.5mm,X-Y-Z各方向2小时 | ||||||||
| 耐撞击 | 约1000m/s2(100G),X-Y-Z各方向3次 | ||||||||
| 保护等级 | IP67 | ||||||||
| 材质 | 外壳:ABS 镜头:PMMA | ||||||||
| 重量(不含电缆线) | 约10g | ||||||||
※1 反光镜V-61(可选购件) ※2 白纸200×200mm ※3 白纸100×100mm ※4 白纸300×300mm
| 选购件: | |||
![]() | |||
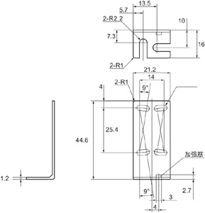
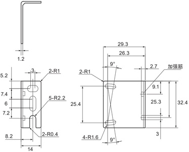
| 外形尺寸: | |||
| 电缆式 | 接插式 | ||
![]() | ![]() | ||
| BEF-W100-B安装支架 | BEF-W100-A安装支架 | ||
![]() | ![]() | ||
| 接线图: | |||
![]() | |||









