主要特点: | |||
高可视性红色LED C-R系列光电传感器光斑可视性较高,便于传感器的对焦或位置调整。 | 接收器镜头前端配置信号输出指示灯(对射型) | ||
![]() | ![]() | ||
热熔成型 较高抗震动性,采用热熔成型结构。 | 防水等级 :IP67 | ||
![]() | ![]() | ||
即使长距离检测亦方便对焦 对射型检测距离可达25m 漫反射型检测距离可达1m | 镀镍黄铜金属外壳 | ||
![]() | ![]() | ||
| 类型 | 漫反射型(短距离) | 漫反射型(长距离) | 镜面反射型 | 对射型 | ||
| 可见红光光源型 | NPN | CDD-11N-R | CDD-100N-R | - | CRD-400N-R | CTD-2500N-R |
| PNP | CDD-11P-R | CDD-100P-R | - | CRD-400P-R | CTD-2500P-R | |
| 红外光光源型 | NPN | CDD-11N-IR | CDD-100N-IR | CDD-100N-IR | - | CTD-2500N-IR |
| PNP | CDD-11P-IR | CDD-100P-IR | CDD-100P-IR | - | CTD-2500P-IR | |
| 检测距离※1 | 0 ~ 110mm | 0 ~ 1m | 0 ~ 400mm | 0.01 ~ 4m | 25m | |
| 光源 | 红色LED / 红外LED | 红色LED / 红外LED | 红外LED | 红外LED | 红色LED / 红外LED | |
| 光斑尺寸 | 约 φ5mm / 110mm | 约 φ70mm / 1m | 约 φ240mm / 4m | 约 φ240mm / 4m | 约 φ1600mm / 25m | |
| 电源电压 | DC10 ~ 30V ±10% | |||||
| 消耗电流 | max. 25mA | max. 30mA | max. 30mA | max. 25mA | 发射器:20mA max. | |
| 接收器:25mA max. | ||||||
| 响应时间 | max. 500µs | |||||
| 开关量输出 | NPN/PNP 集电极开路 max.100mA / DC 30V max. (残余电压 max.1.8V) | |||||
| 常开/常闭功能 | 常开(入光动作) / 常闭(遮光动作) 模式可选(接线控制) | |||||
| 灵敏度调整 | 1圈电位器调节 | |||||
| 指示灯 | 输出指示灯(橙色LED) / 稳定指示灯(绿色LED) | |||||
| 抗震动 | 10 ~ 100 Hz; 振幅1.5mm, max.150m/s2, X、Y、Z各方向8小时 | |||||
| 耐撞击 | 约50G, X、Y、Z各方向3小时 | |||||
| 使用环境温度/湿度 | -25 ~ 55℃ / 35 ~ 85%RH(不结露、不结冰的情况下) | |||||
| 存储环境温度/湿度 | -30 ~ 70℃ / 35 ~ 95%RH(不结露、不结冰的情况下) | |||||
| 适用指令/规格 | EMC指令(2014/30/EU) / IEC 60947-5-2:2007 / A1:2012 | |||||
| 防护等级/材质 | IEC 60529:IP67 / 外壳:镀镍黄铜, 镜头:PMMA | |||||
| ※1・镜面反射型 : 反光镜V-61 ・长距离漫反射型 : 白纸200x200mm(反射率90% ) ・短距离漫反射型 : 白纸100x100mm(反射率90% ) | ||||||
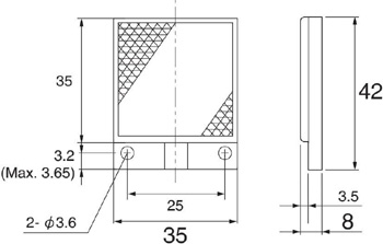
| 外形尺寸: | ||||||
漫反射型和 | ![]() | |||||
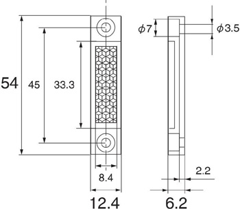
| 反光镜: | 标准型 : V-61 检测距离 : 0.01~4m | 小型 : V-42 (可选购件) 检测距离 : 0.01~2.4m | 微型 : P45A (可选购件) 检测距离 : 0.01~1.4m | |||
![]() | ![]() | ![]() | ||||
对射型(发射器) | ![]() | 对射型(接收器) | ![]() | |||
| 接线图: | ||||||
![]() | ||||||












